| Sign In | Join Free | My wpc-board.com |
|
Brand Name : HM
Model Number : KHZ
Place of Origin : wuxi
MOQ : 1000
Price : $0.2
Payment Terms : T/T, Western Union, MoneyGram
Supply Ability : 1000000
Delivery Time : 25 day
Packaging Details : REEL
Certification : ISO rohs
Oscillation Frequency (Fosc) : 455±2KHz
Resonant Impedance(Ro) : 30 max.
Capacitance (Co) : 280 PF±20%
Temperature Characteristics of Oscillation Frequency : ±0.3% max.(-20℃to +80℃)
Rated Voltage : 50 V DC max.
Maximum Input Voltage : 15 Vp-p
Insulation Resistance : 1000 M min.

SPECIFICATION OF CERAMIC RESONATOR
CRB455E
1 . SCOPE
This specification shall cover the characteristics of the ceramic resonator with 455 KHz.
2 . SPECIFICATION No. : HM027-1-1
3 . PART No. : CRB455E
4 . ELECTRICAL SPECIFICATION
4.1 Oscillation Frequency (Fosc) : 455±2KHz
4.2 Resonant Impedance(Ro) : 30W max.
4.3 Capacitance (Co) : 280 PF±20%
4.4 Temperature Characteristics
of Oscillation Frequency : ±0.3% max.(-20℃to +80℃)
4.5 Rated Voltage : 50 V DC max.
4.6 Maximum Input Voltage : 15 Vp-p
4.7 Insulation Resistance : 1000 MW min.
5. Environmental Specification :
5.1 Lead Pull : 1KG load Terminal Direction Min.
5.2 Vibration : 600-3300rpm.1.5mm.x.y& z axes.1H Each Min.
5.3 Shock : Random Drop,30cm High Concrete Floor
5.4 Solderability : Dipping Terminals Into Molten Solder at
230±5℃ At 5±0.5 Sec.
5.5 Resistance to
Soldering Heat : Dipping Lead Terminals No Close Than 2mm
From the Sn 350 ±10℃ 3 Sec.
After 1H to Test
5.6 Heat Resistance : Keep In 40±2℃ Temp 90% Humidity For 100H
After 1H To Test.
5.7 Operation Temperature : -20℃to +80℃
5.8 Storage Temperature : -40℃to +85℃
5.9 Aging Rate : Fosc ±0.5% max.
6. Dimensions(mm)
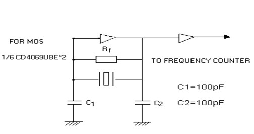
7. Test circuit

|
|
CRB455E ZTB455E 455Khz 50V 280PF Ceramic Resonator Images |